AC-DC電源模塊5W
電源類型:插針式電源模塊
規格型號:ZAS05-24-W
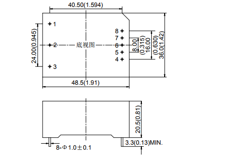
電源尺寸:48*36*20.5mm
輸入電壓:85-265VAC或120-375VDC
輸出電壓:DC3.3V,5V,12V,15V,24V,28V,48V
輸出功率:5W

電源類型:插針式電源模塊
規格型號:ZAS05-24-W
電源尺寸:48*36*20.5mm
輸入電壓:85-265VAC或120-375VDC
輸出電壓:DC3.3V,5V,12V,15V,24V,28V,48V
輸出功率:5W
| @電參數測試環境:所有參數均在標稱輸入電壓,標稱負載、環境溫度25℃下測得,特殊除外 | ||||||||||||
產品命名方式: |
||||||||||||
| 產品型號列表: | ||||||||||||
| 產品型號 | 輸入電壓范圍(AC) | 輸出電壓(VO)/輸出電流(IO) | 紋波噪聲 | 效率(%) | ||||||||
85-265V(AC) 120-360V(DC) |
Vo1 | Io1 | Vo2 | Io2 | Vo3 | Io3 | ||||||
| ZAS05-05-W | 05V | 1A | ≤%1 | 85 | ||||||||
| ZAS05-12-W | 12V | 0.41A | ≤%1 | 88 | ||||||||
| ZAS05-15-W | 15V | 0.33A | ≤%1 | 88 | ||||||||
| ZAS05-24-W | 24V | 0.21A | ≤%1 | 87 | ||||||||
| ZAS05-48-W | 48V | 0.1A | ≤%1 | 87 | ||||||||
| ZAS05-09-W | 09V | 0.55A | ≤%1 | 82 | ||||||||
| ZAS05-3.3-W | 3.3V | 1A | ≤%1 | 81 | ||||||||
| ZAD05-12-W | +12V | 0.2A | -12V | 0.2A | ≤%1 | 89 | ||||||
| ZAD05-24-W | +24V | 0.1A | -24V | 0.1A | ≤%1 | 88 | ||||||
| ZAD05-15-W | +15V | 0.16A | -15V | 0.16A | ≤%1 | 87 | ||||||
| ZAD05-48-W | +48V | 0.05A | -48V | 0.05A | ≤%1 | 86 | ||||||
| ZAT05-0512-W | +05V | 0.5A | +12V | 0.25A | -12V | 0.25A | ≤%1 | 85 | ||||
| ZAT05-0524-W | +05V | 0.5A | +24V | 0.05A | -24V | 0.05A | ≤%1 | 86 | ||||
| ZAT05-1224-W | +12V | 0.2A | +24V | 0.05A | -24V | 0.05A | ≤%1 | 87 | ||||
| 注:以上型號未盡,有更多參數可選,詳情咨詢我公司。 | ||||||||||||
| 輸入特性 | 最低端(Vac) | 標稱輸入電壓(Vac) | 最高端(Vac) | |||||||||
| 輸入電壓 | 85VAC | 220VAC | 265VAC | |||||||||
| 輸入頻率范圍 | 47Hz-440Hz | |||||||||||
| 輸出特性 | ||||||||||||
| 輸出電壓精度 | Vo1±1%,Vo2±3%,Vo3±3% | |||||||||||
| 紋波噪聲 | <1%Vp-p(20MHz示波器光探頭測試) | |||||||||||
| 負載效應 | ±0.5%(10%-100%) | |||||||||||
| 過流保護 | >110% | |||||||||||
| 溫度系數 | ±0.03%/℃ | |||||||||||
| 輸出保護 | 短路保護(長期、自恢復)、過溫保護、過流保護、過壓保護 | |||||||||||
| 一般特性 | ||||||||||||
| 工作環境溫度 | -25~+60℃(工業級) -40~+70℃(軍工級) -55~+85℃(航天級) | |||||||||||
| 儲存溫度 | -45~+105℃(工業級) -55~+105℃(軍工級) -60~+125℃(航天級) | |||||||||||
| 儲存濕度 | 5%~95%RH | |||||||||||
| 隔離電阻 | >100M? | |||||||||||
| 隔離耐壓 | 輸入-輸出2500VAC 輸入-外殼2500VAC 輸出-外殼500VAC | |||||||||||
| 工作頻率 | 60KHZ | |||||||||||
| 安裝方式 | 焊接式 | |||||||||||
| 外殼材料 | 低輻射塑料或金屬外殼 | |||||||||||
| 冷卻方式 | 自然空冷 | |||||||||||
| 安裝尺寸(單位:mm)及管腳定義: | ||||||||||||
|
||||||||||||